г.Минск, ул.Бирюзова, д.4/5
Продажа подшипников в Минске и по всей Беларуси
Корзина
0 руб.

Линейная втулка устойчивая к крутящему моменту Bosch Rexroth KBDRC2-30 [R072033000]

Линейная втулка устойчивая к крутящему моменту Bosch Rexroth KBDRC2-30 [R072033000]
Линейная втулка устойчивая к крутящему моменту Bosch Rexroth KBDRC2-30 [R072033000]
(0)
Нет в наличии
REXROTH
0 руб.
До конца акции осталось:
00дн.
00час.
00мин.
Подарок при покупке
Дарим подарок при покупке данного товара
Выбрать подарок

Линейная втулка устойчивая к крутящему моменту Bosch Rexroth KBDRC2-30 [R072033000]
Линейная втулка устойчивая к крутящему моменту Bosch Rexroth KBDRC2-30 [R072033000]
(0)
Нет в наличии
0 руб.


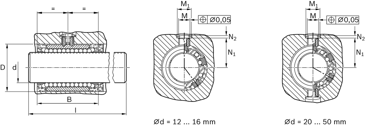
Torque-resistant LB (compact), 2-30, without seal

Product Description

Torque-resistant compact linear bushing (standard)
Ball guide grooves = 2
Shaft diameter d = 30
Without seal
Without shaft

  • For self-supporting, torsionally stiff guides with only one shaft
  • Torque-resistant linear bushings with adjusting screw come set to zero clearance
  • Ball retainer and outer sleeve made of PA or POM
  • Precision steel shaft with a ball guide groove for shaft diameters 12 and 16 mm, with two ball guide grooves from shaft diameter 20 mm
  • Hardened steel bearing plates
  • Balls made of rolling bearing steel
  • Hardened steel adjusting screw
  • Steel lock nut

Technical Specs

Product attributes

Shaft diameter d [mm]

30

Version

Standard

Format of linear bushings

– Closed

Series

Torque-resistant compact

Seal

without wiper seals

Raceway grooves

2

Dynamic load capacity C [N]

3680

Note: dynamic load capacity C

The load capacities indicated are minimal values as the direction of loading cannot always be clearly defined.

Maximum acceleration rate amax [m/s²]

150

Maximum permissible linear speed vmax [m/s]

3

Dynamic torsional moment load capacity Mt [Nm]

37

Length of linear bushing [mm]

68

Outer diameter D [mm]

47

Permissible ambient temperature (min. ... max.)

-10 °C ... +80 °C

Weight [kg]

0.22

Static load capacity C0 [N]

2790

Note: static load capacity C0

The load capacities indicated are minimal values as the direction of loading cannot always be clearly defined.

Type

Linear bushing

Dimension B (profiled rail systems) [mm]

68

Dimension D [mm]

47

Dimension M1 [mm]

15

Dimension N1 (profiled rail systems) [mm]

29.7

Dimension N2 (profiled rail systems) [mm]

2.5

Мы стараемся максимально лояльно подходить к выбору способов доставки товаров из нашего магазина, чтобы наши клиенты получали необходимое качество по наименьшей цене.

Курьером по городу

Курьером (пн-пт). Курьер доставит товар в день заказа с 18 до 21.00 (при условии, что заказ сформирован до 18.00), либо вечером следующего дня (если заказ сформирован после 18.00).

Самовывозом

Вы можете забрать заказанный на сайте товар в любой день и удобное Вам время. Часы работы и контактный телефон магазина можно узнать здесь. Забронированный товар будет дожидаться Вас в течении двух рабочих дней.

Персональные рекомендации