(0) |
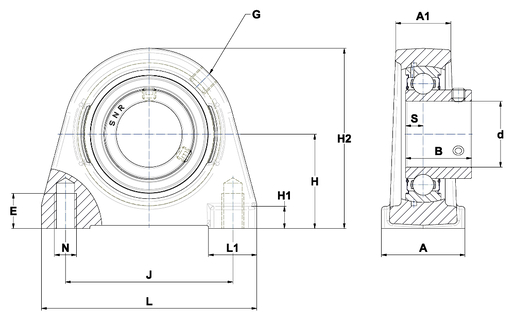
Корпус из серого чугуна, радиальный корпусной шарикоподшипник с установочными винтами, однокромочное уплотнение
Самоцентрирующиеся подшипниковые узлы с различными вариантами крепления и корпусами из чугуна, нержавеющей стали или пластика.
| РАЗМЕРЫ ИЗДЕЛИЯ | |
|---|---|
| Марка | SNR |
| А - Ширина корпуса | 32 mm |
| A1 - Ширина корпуса сверху | 19 mm |
| B - Ширина внутреннего кольца | 25 mm |
| d - Диаметр вала | 19,05 mm |
| E - Глубина резьбы монтажного отверстия | 10 mm |
| G - Пресс-масленка | R1/8" |
| H - Расстояние между монтажным основанием и осевой линией сферы. диаметр посадки | 33,3 mm |
| H1 - Высота основания корпуса | 9 mm |
| H2 - Высота корпуса | 64 mm |
| J - Расстояние между монтажными отверстиями | 50,8 mm |
| L - Длина корпуса | 65 mm |
| L1 - Длина основания корпуса | 18 mm |
| N - Размер монтажного отверстия | M8 |
| S - Расстояние передняя сторона/центр подшипника | 7 mm |
| ПРОИЗВОДИТЕЛЬНОСТЬ ПРОДУКТА | |
|---|---|
| C - Динамическая грузоподъёмность | 12,8 kN |
| C0 - Статическая грузоподъёмность | 6,65 kN |
| Рабочая температура мин. | -20 °C |
| Рабочая температура макс. | 100 °C |
| ДРУГИЕ ОСОБЕННОСТИ | |
|---|---|
| Вес | 0,43 kg |
| Рекомендованный момент затяжки для стопорных винтов | 3,7 N-m |
Мы стараемся максимально лояльно подходить к выбору способов доставки товаров из нашего магазина, чтобы наши клиенты получали необходимое качество по наименьшей цене.
Курьером (пн-пт). Курьер доставит товар в день заказа с 18 до 21.00 (при условии, что заказ сформирован до 18.00), либо вечером следующего дня (если заказ сформирован после 18.00).
Вы можете забрать заказанный на сайте товар в любой день и удобное Вам время. Часы работы и контактный телефон магазина можно узнать здесь. Забронированный товар будет дожидаться Вас в течении двух рабочих дней.