E-mail:
(0) |
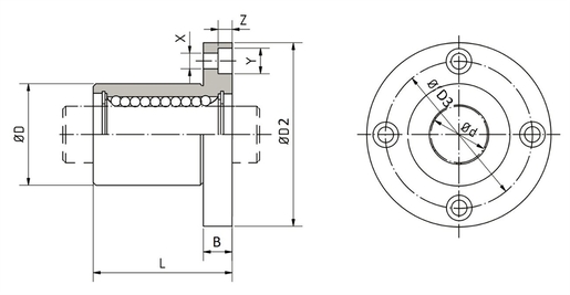
Фланцевые шариковые втулки обеспечивают точные линейные перемещения с низким коэффициентом трения на валах из закаленной стали.
| РАЗМЕРЫ ИЗДЕЛИЯ | |
|---|---|
| Марка | SNR |
| Тип конструкции | BBER |
| Категория шариковой втулки | Flange type ball bushings |
| Стандарт | ISO dimension |
| Количество уплотнений | 2 |
| Материал кольца или фиксирующих колец | X105CrMo17 |
| Материал сепаратора | PA |
| Начальное смазывание | Non/No |
| d - Внутренний диаметр | 25 mm |
| d - Диаметр отверстия | 0,011/-0,001 |
| D - Наружный диаметр | 40 mm |
| D - Наружный диаметр | 0/-0,019 |
| L - Длина | 58 mm |
| L - Длина | 0,3/-0,3 |
| B - Ширина фланца | 8 mm |
| D2 - Диаметр | 62 mm |
| D3 - Диаметр | 51 mm |
| X | 5,5 mm |
| Y | 9 mm |
| Z | 5,1 mm |
| Максимальный эксцентриситет | 0,015 mm |
| Количество рядов шариков | 6 |
| Вес | 0,335 kg |
| ПРОИЗВОДИТЕЛЬНОСТЬ ПРОДУКТА | |
|---|---|
| Cmin | 0,908 kN |
| Cmax | 1,162 kN |
| C0min | 1,57 kN |
| C0max | 2,01 kN |
| Tmin - Мин. рабочая температура | -20 °C |
| Tmax - Макс. рабочая температура | 80 °C |
Мы стараемся максимально лояльно подходить к выбору способов доставки товаров из нашего магазина, чтобы наши клиенты получали необходимое качество по наименьшей цене.
Курьером (пн-пт). Курьер доставит товар в день заказа с 18 до 21.00 (при условии, что заказ сформирован до 18.00), либо вечером следующего дня (если заказ сформирован после 18.00).
Вы можете забрать заказанный на сайте товар в любой день и удобное Вам время. Часы работы и контактный телефон магазина можно узнать здесь. Забронированный товар будет дожидаться Вас в течении двух рабочих дней.
Шариковая направляющая из углеродистой стали Bosch Rexroth KSA-065-SNS-S-MB-00 [R160760131] 0 руб.
Миниатюрная направляющая система широкого типа SNR LGMX15WN2BBL01270NZ0-1-0-15.0N 0 руб.
Стандартная линейная направляющая система с шариковой цепью SNR LGBCH20FN1SSC00450HZ2-1-0-15.0N 0 руб.
Шариковая каретка из углеродистой стали Bosch Rexroth KWC-055-SNH-C1-H-2 [R162151310] 0 руб.
Стандартная линейная направляющая система с шариковой цепью SNR LGBCH20BL1SSL00160NZ1-2-0-20.0N 0 руб.