г.Минск, ул.Бирюзова, д.4/5
Продажа подшипников в Минске и по всей Беларуси
Корзина
0 руб.

Опорная направляющая с валом из нержавеющей стали (ISO 683-17) Bosch Rexroth WM-60-SFRC-H6X46- [R101206030]

Опорная направляющая с валом из нержавеющей стали (ISO 683-17) Bosch Rexroth WM-60-SFRC-H6X46- [R101206030]
Опорная направляющая с валом из нержавеющей стали (ISO 683-17) Bosch Rexroth WM-60-SFRC-H6X46- [R101206030]
(0)
Нет в наличии
REXROTH
0 руб.
До конца акции осталось:
00дн.
00час.
00мин.
Подарок при покупке
Дарим подарок при покупке данного товара
Выбрать подарок

Опорная направляющая с валом из нержавеющей стали (ISO 683-17) Bosch Rexroth WM-60-SFRC-H6X46- [R101206030]
Опорная направляющая с валом из нержавеющей стали (ISO 683-17) Bosch Rexroth WM-60-SFRC-H6X46- [R101206030]
(0)
Нет в наличии
0 руб.


Shaft support rail with shaft mounted (corrosion-resistant steel), 60-SRFC-H6

Product Description

Shaft support rail with shaft mounted
made of corrosion-resistant steel (ISO 683-17)
Shaft diameter d = 60
Tolerance = H6
Shaft support rail: Steel, flange, for radial compact set

  • Shaft support rail material: Steel
  • For use with open linear bushings
  • For long guides or high loads where self-supporting shafts cannot be used due to shaft warping
  • Unlimited length when using interconnecting shafts
  • Support rails for various requirements
  • Additional degrees of freedom in circumferential direction compared to profiled guide rails.
  • For applications where other linear guides tend to warp due to imprecise substructures.

Technical Specs

Product attributes

Shaft diameter d [mm]

60

Material of precision steel shafts

Corrosion-resistant steel, X46Cr13

Tolerance grade shaft

h6

Material shaft support rails

Steel

Mass m (kg/m) [kg/m]

45.6

Weight [kg]

0

Product information

Please ask for delivery time!

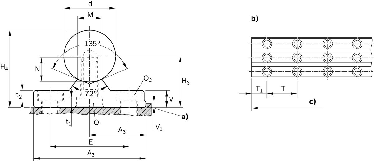
Dimension A2 (profiled rail systems) [mm]

130

Dimension A3 (profiled rail systems) [mm]

65

Dimension A3 tolerance

±0.02

Dimension E [mm]

90

Dimension H3 [mm]

60

Dimension H4 [mm]

90

Dimension M [mm]

27

Dimension N [mm]

32

Dimension O1 thread x lead [mm]

M20x40

Dimension O2 thread diameter

M20

Dimension t1 [mm]

16

Dimension t2 [mm]

12.5

Dimension V [mm]

20

Dimension V1 [mm]

8

Мы стараемся максимально лояльно подходить к выбору способов доставки товаров из нашего магазина, чтобы наши клиенты получали необходимое качество по наименьшей цене.

Курьером по городу

Курьером (пн-пт). Курьер доставит товар в день заказа с 18 до 21.00 (при условии, что заказ сформирован до 18.00), либо вечером следующего дня (если заказ сформирован после 18.00).

Самовывозом

Вы можете забрать заказанный на сайте товар в любой день и удобное Вам время. Часы работы и контактный телефон магазина можно узнать здесь. Забронированный товар будет дожидаться Вас в течении двух рабочих дней.

Персональные рекомендации