г.Минск, ул.Бирюзова, д.4/5
Продажа подшипников в Минске и по всей Беларуси
Корзина
0 руб.

Опорная направляющая с валом из термообработанной стали Bosch Rexroth WM-30-AS2-H6- [R101553000]

Опорная направляющая с валом из термообработанной стали Bosch Rexroth WM-30-AS2-H6- [R101553000]
Опорная направляющая с валом из термообработанной стали Bosch Rexroth WM-30-AS2-H6- [R101553000]
(0)
Нет в наличии
REXROTH
0 руб.
До конца акции осталось:
00дн.
00час.
00мин.
Подарок при покупке
Дарим подарок при покупке данного товара
Выбрать подарок

Опорная направляющая с валом из термообработанной стали Bosch Rexroth WM-30-AS2-H6- [R101553000]
Опорная направляющая с валом из термообработанной стали Bosch Rexroth WM-30-AS2-H6- [R101553000]
(0)
Нет в наличии
0 руб.


Shaft support rail with shaft mounted (heat-treated steel), 30-AS2-H6

Product Description

Shaft support rail with shaft mounted
made of heat-treated steel
Shaft diameter d = 30
Tolerance = H6
Shaft support rail: Aluminum, side mounting, bore spacing type 2

  • Combine with linear sets with side opening for heavy-duty linear guides
  • Reference edge makes aligning easier (installation)
  • Shaft support rail material: Aluminum
  • For use with open linear bushings
  • For long guides or high loads where self-supporting shafts cannot be used due to shaft warping
  • Unlimited length when using interconnecting shafts
  • Support rails for various requirements
  • Additional degrees of freedom in circumferential direction compared to profiled guide rails.
  • For applications where other linear guides tend to warp due to imprecise substructures.

Technical Specs

Product attributes

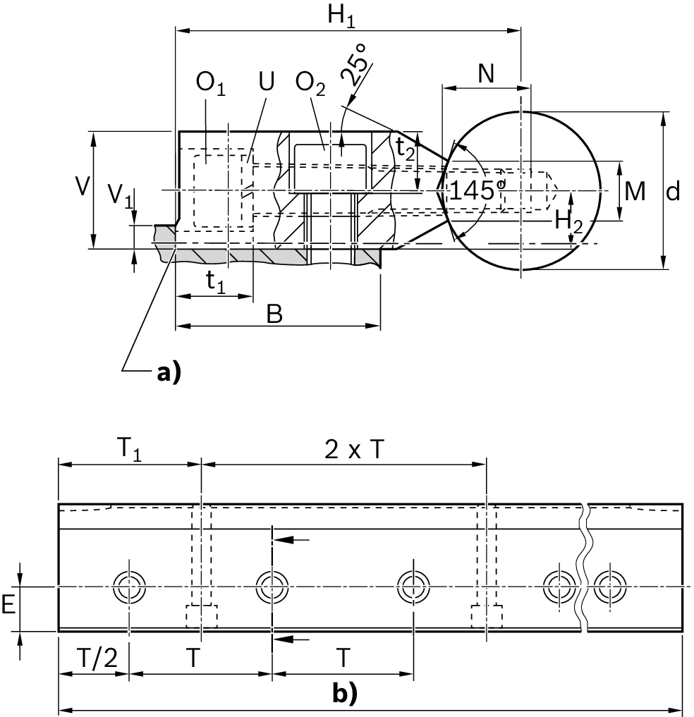
Shaft diameter d [mm]

30

Material of precision steel shafts

Heat-treated steel Cf53

Tolerance grade shaft

h6

Material shaft support rails

Aluminum

Mass m (kg/m) [kg/m]

9

Weight [kg]

0

Dimension B (profiled rail systems) [mm]

42

Dimension E [mm]

21

Dimension H1 js6 [mm]

72

Dimension M [mm]

11

Dimension N [mm]

17

Dimension O1 thread x lead [mm]

M10x60

Dimension O2 thread diameter

M10x25

Dimension t1 [mm]

15.3

Dimension t2 [mm]

13.5

Dimension U [mm]

10

Dimension V [mm]

25

Dimension V1 max [mm]

7

Мы стараемся максимально лояльно подходить к выбору способов доставки товаров из нашего магазина, чтобы наши клиенты получали необходимое качество по наименьшей цене.

Курьером по городу

Курьером (пн-пт). Курьер доставит товар в день заказа с 18 до 21.00 (при условии, что заказ сформирован до 18.00), либо вечером следующего дня (если заказ сформирован после 18.00).

Самовывозом

Вы можете забрать заказанный на сайте товар в любой день и удобное Вам время. Часы работы и контактный телефон магазина можно узнать здесь. Забронированный товар будет дожидаться Вас в течении двух рабочих дней.

Персональные рекомендации