г.Минск, ул.Бирюзова, д.4/5
Продажа подшипников в Минске и по всей Беларуси
Корзина
0 руб.

Радиально-упорный шарикоподшипник INA CSEC060

Радиально-упорный шарикоподшипник INA CSEC060
Радиально-упорный шарикоподшипник INA CSEC060
(0)
Под заказ
INA
0 руб.
До конца акции осталось:
00дн.
00час.
00мин.
Заказать товар
Товар доступен только под заказ.
Сроки поставки: 2–3 недели
Подарок при покупке
Дарим подарок при покупке данного товара
Выбрать подарок

Радиально-упорный шарикоподшипник INA CSEC060
Радиально-упорный шарикоподшипник INA CSEC060
(0)
Под заказ
0 руб.


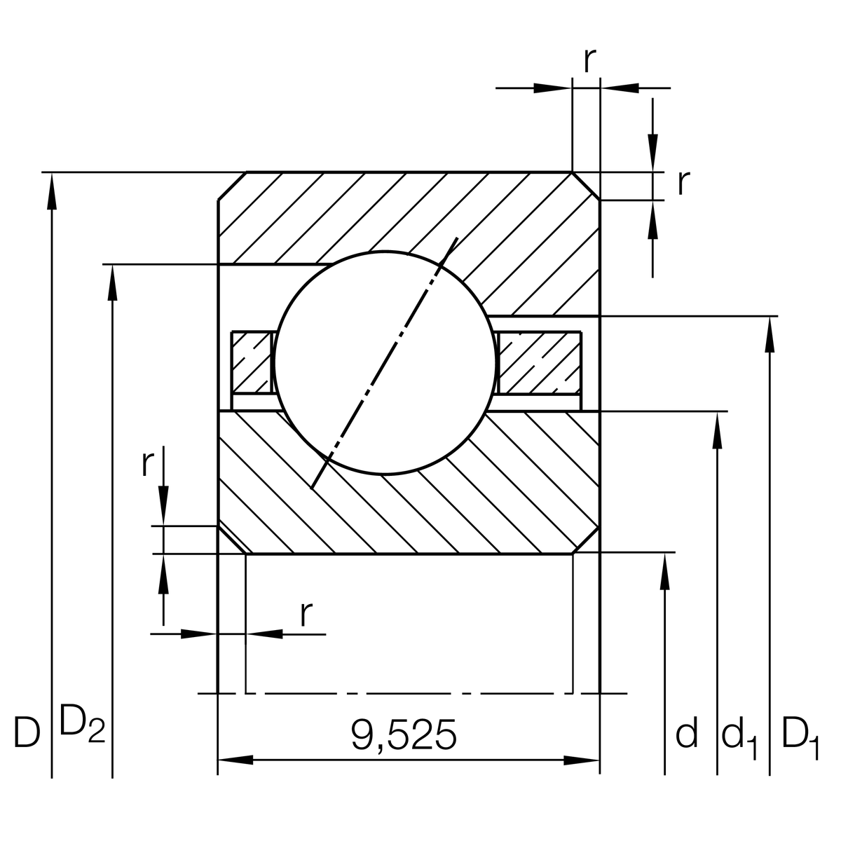
Радиально-упорный шарикоподшипник, подшипник с тонкими кольцами CSEC, латунный штампованный сепаратор

Основные
Диаметр отверстия152,4 mm
Наружный диаметр171,45 mm
Динамическая грузоподъемность, радиальная9.300 N
Статическая грузоподъемность, радиальная15.000 N
Вес290 g
Мин. рабочая температура-30 °C
Макс. рабочая температура120 °C
Ширина9,525 mm
Мин. размер монтажной фаски1 mm
Угол контакта30 °
Limiting speed3.500 1/min
Диаметр заплечика для наружного кольца164,4 mm
Диаметр заплечика внутреннего кольца159,4 mm
Узкий диаметр бортика наружного кольца166,4 mm

Мы стараемся максимально лояльно подходить к выбору способов доставки товаров из нашего магазина, чтобы наши клиенты получали необходимое качество по наименьшей цене.

Курьером по городу

Курьером (пн-пт). Курьер доставит товар в день заказа с 18 до 21.00 (при условии, что заказ сформирован до 18.00), либо вечером следующего дня (если заказ сформирован после 18.00).

Самовывозом

Вы можете забрать заказанный на сайте товар в любой день и удобное Вам время. Часы работы и контактный телефон магазина можно узнать здесь. Забронированный товар будет дожидаться Вас в течении двух рабочих дней.

Персональные рекомендации