г.Минск, ул.Бирюзова, д.4/5
Продажа подшипников в Минске и по всей Беларуси
Корзина
0 руб.

Подшипник с перекрестными роликами INA XV50

Подшипник с перекрестными роликами INA XV50
Подшипник с перекрестными роликами INA XV50
(0)
Под заказ
INA
0 руб.
До конца акции осталось:
00дн.
00час.
00мин.
Заказать товар
Товар доступен только под заказ.
Сроки поставки: 2–3 недели
Подарок при покупке
Дарим подарок при покупке данного товара
Выбрать подарок

Подшипник с перекрестными роликами INA XV50
Подшипник с перекрестными роликами INA XV50
(0)
Под заказ
0 руб.


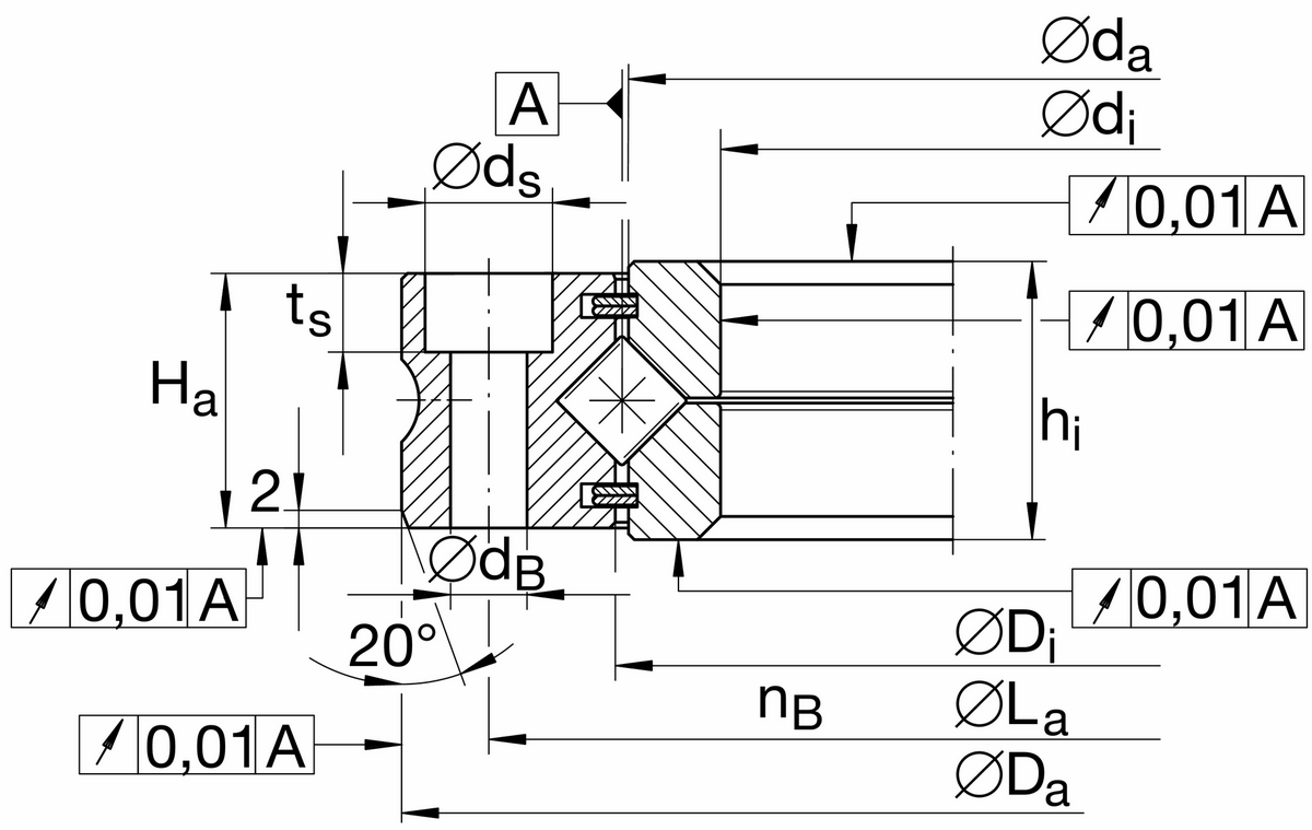
Подшипник с перекрестными роликами, без зубчатого венца, пластинчатое уплотнение с двух сторон

Основные
Диаметр отверстия50 mm
Наружный диаметр100 mm
Динамическая грузоподъемность, радиальная14.700 N
Вес0,699 kg
Мин. рабочая температура-30 °C
Макс. рабочая температура80 °C
Наружный диаметр, нижнее отклонение-0,022 mm
Наружный диаметр, верхнее отклонение0 mm
Unnamed: 7464,5 mm
Динамическая грузоподъемность, осевая20.500 N
Верхнее отклонение допуска диаметра отверстия0,01 mm
Диаметр отверстия, нижнее отклонение допуска-0,006 mm
Heigth inner ring17 mm
Наружный диаметр, внутреннее кольцо63,5 mm
Точность вращения, радиальная0,01 mm
Осевое торцовое биение0,01 mm
Статическая осевая грузоподъемность54.000 N
Статическая радиальная грузоподъемность26.500 N
Предельная частота вращения при пластичной смазке и предварительном натяге597 1/min
Width outer ring16 mm
Pitch circle diameter fixing holes85 mm
Количество крепежный отверстий, равномерно распределено12
Diameter fixing hole outer ring5,6 mm
Countersunk diameter of fixing holes10 mm
Countersunk depth of fixing holes5,4 mm
Max. radial load screws (frictional contact)8.180 N
Предельная частота вращения при пластичной смазке и нормальной группе зазора1.194 1/min

Мы стараемся максимально лояльно подходить к выбору способов доставки товаров из нашего магазина, чтобы наши клиенты получали необходимое качество по наименьшей цене.

Курьером по городу

Курьером (пн-пт). Курьер доставит товар в день заказа с 18 до 21.00 (при условии, что заказ сформирован до 18.00), либо вечером следующего дня (если заказ сформирован после 18.00).

Самовывозом

Вы можете забрать заказанный на сайте товар в любой день и удобное Вам время. Часы работы и контактный телефон магазина можно узнать здесь. Забронированный товар будет дожидаться Вас в течении двух рабочих дней.

Персональные рекомендации