г.Минск, ул.Бирюзова, д.4/5
Продажа подшипников в Минске и по всей Беларуси
Корзина
0 руб.

Опорно-поворотное устройство, подшипник с четырехточечным контактом, зубчатый венец на внутреннем кольце INA VI160288-N

Опорно-поворотное устройство, подшипник с четырехточечным контактом, зубчатый венец на внутреннем кольце INA VI160288-N
Опорно-поворотное устройство, подшипник с четырехточечным контактом, зубчатый венец на внутреннем кольце INA VI160288-N
(0)
Под заказ
INA
0 руб.
До конца акции осталось:
00дн.
00час.
00мин.
Заказать товар
Товар доступен только под заказ.
Сроки поставки: 2–3 недели
Подарок при покупке
Дарим подарок при покупке данного товара
Выбрать подарок

Опорно-поворотное устройство, подшипник с четырехточечным контактом, зубчатый венец на внутреннем кольце INA VI160288-N
Опорно-поворотное устройство, подшипник с четырехточечным контактом, зубчатый венец на внутреннем кольце INA VI160288-N
(0)
Под заказ
0 руб.


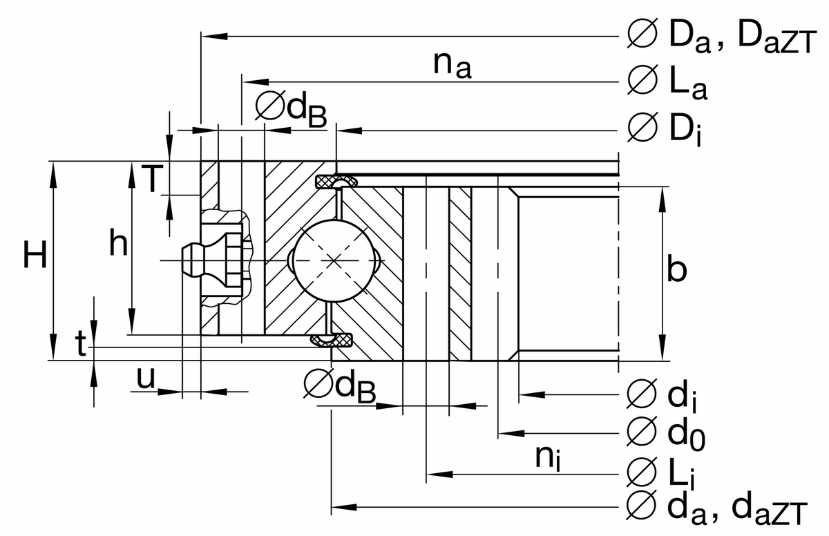
Опорно-поворотное устройство, подшипник с четырехточечным контактом, зубчатый венец на внутреннем кольце

Основные
Диаметр отверстия216 mm
Наружный диаметр340 mm
Ширина наружного кольца34 mm
Динамическая грузоподъемность, радиальная122.000 N
Статическая грузоподъемность, радиальная260.000 N
Вес12,4 kg
Мин. рабочая температура-25 °C
Макс. рабочая температура80 °C
Ширина34 mm
Высота39 mm
Unnamed: 74287 mm
Наружный диаметр внутреннего кольца289 mm
Крепежное отверстие9 mm
Диаметр делительной окружности расположения крепежных отверстий наружного кольца324 mm
Количество крепежных отверстий в наружном кольце20
Диаметр делительной окружности расположения крепежных отверстий внутреннего кольца252 mm
Количество крепежных отверстий во внутреннем кольце20
Макс. радиальная нагрузка винтов35.000 N
Динамическая грузоподъемность, осевая134.000 N
Статическая грузоподъемность, осевая570.000 N
Модуль зубчатого зацепления4 mm
Количество зубьев56
Диаметр делительной окружности зубьев224 mm
Ширина зубчатого венца34 mm
Макс. сила по критерию усталостного излома зубьев12.300 N
Макс. сила по критерию хрупкого излома зубьев17.800 N
Нормальный радиальный зазор, мин.0,04 mm
Нормальный радиальный зазор, макс.0,16 mm
Нормальный осевой зазор, мин.0,07 mm
Нормальный осевой зазор, макс.0,26 mm
Выступ пресс-масленки9,5 mm

Мы стараемся максимально лояльно подходить к выбору способов доставки товаров из нашего магазина, чтобы наши клиенты получали необходимое качество по наименьшей цене.

Курьером по городу

Курьером (пн-пт). Курьер доставит товар в день заказа с 18 до 21.00 (при условии, что заказ сформирован до 18.00), либо вечером следующего дня (если заказ сформирован после 18.00).

Самовывозом

Вы можете забрать заказанный на сайте товар в любой день и удобное Вам время. Часы работы и контактный телефон магазина можно узнать здесь. Забронированный товар будет дожидаться Вас в течении двух рабочих дней.

Персональные рекомендации