г.Минск, ул.Бирюзова, д.4/5
Продажа подшипников в Минске и по всей Беларуси
Корзина
0 руб.

Фланцевый корпус INA ZKLR0624-2Z

Фланцевый корпус INA ZKLR0624-2Z
Фланцевый корпус INA ZKLR0624-2Z
Фланцевый корпус INA ZKLR0624-2Z
Фланцевый корпус INA ZKLR0624-2Z
(0)
Под заказ
INA
0 руб.
До конца акции осталось:
00дн.
00час.
00мин.
Заказать товар
Товар доступен только под заказ.
Сроки поставки: 2–3 недели
Подарок при покупке
Дарим подарок при покупке данного товара
Выбрать подарок

Фланцевый корпус INA ZKLR0624-2Z
Фланцевый корпус INA ZKLR0624-2Z
(0)
Под заказ
0 руб.


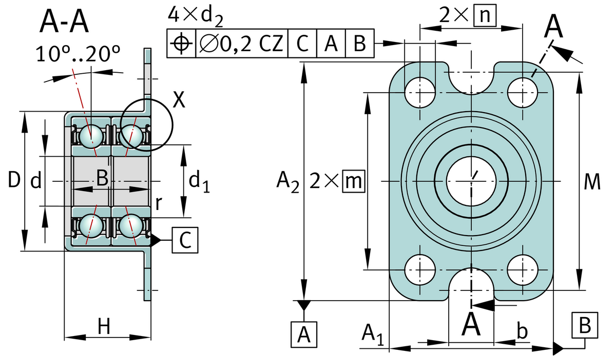
Узлы с радиально-упорными шарикоподшипниками ZKLR..-2Z, двустороннего действия, с фланцем, щелевые уплотнения с двух сторон

Основные
Диаметр отверстия6 mm
Вес22,9 g
Ширина фланца24 mm
Высота фланца35 mm
Динамическая грузоподъемность, радиальная4.100 N
Статическая грузоподъемность, радиальная2.060 N
Предел усталостной нагрузки, радиальный107 N
Диаметр заплечика вала8 mm
Расстояние между отверстиями, ширина15 mm
Высота корпуса13 mm
Ширина внутреннего кольца12 mm
Размер винтаM4
Динамическая грузоподъемность, осевая1.650 N
Количество винтов4
Верхнее отклонение допуска диаметра отверстия0 mm
Диаметр отверстия, нижнее отклонение допуска-0,008 mm
Наружный диаметр наружного кольца подшипника20,5 mm
Наружный диаметр наружного кольца подшипника, верхнее отклонение0,03 mm
Наружный диаметр наружного кольца подшипника, нижнее отклонение-0,01 mm
Ширина внутреннего кольца, верхнее отклонение0,25 mm
Ширина внутреннего кольца, нижнее отклонение-0,25 mm
Статическая грузоподъемность, осевая1.520 N
Момент трения подшипника0,04 Nm
Диаметр опорной поверхности, наружное кольцо внутри16 mm
Мин. диаметр опорной поверхности для наружного кольца снаружи19 mm
Позиционный допуск отверстий в корпусе0,2 mm
Диаметр бортика внутреннего кольца9 mm
Мин. размер монтажной фаски0,3 mm
Диаметр крепежного отверстия4,5 mm
Расстояние между отверстиями, высота26 mm
Высота корпуса, верхнее отклонение0 mm
Высота корпуса, нижнее отклонение-0,5 mm
Размер винта bM6
Количество винтов b2
Ширина крепежного паза6,6 mm
Расстояние, крепежные пазы32 mm

Мы стараемся максимально лояльно подходить к выбору способов доставки товаров из нашего магазина, чтобы наши клиенты получали необходимое качество по наименьшей цене.

Курьером по городу

Курьером (пн-пт). Курьер доставит товар в день заказа с 18 до 21.00 (при условии, что заказ сформирован до 18.00), либо вечером следующего дня (если заказ сформирован после 18.00).

Самовывозом

Вы можете забрать заказанный на сайте товар в любой день и удобное Вам время. Часы работы и контактный телефон магазина можно узнать здесь. Забронированный товар будет дожидаться Вас в течении двух рабочих дней.

Персональные рекомендации