г.Минск, ул.Бирюзова, д.4/5
Продажа подшипников в Минске и по всей Беларуси
Корзина
0 руб.

Цилиндрический роликоподшипник INA SL045008 (SL04 5008)

Цилиндрический роликоподшипник INA SL045008 (SL04 5008)
Цилиндрический роликоподшипник INA SL045008 (SL04 5008)
(0)
Под заказ
INA
0 руб.
До конца акции осталось:
00дн.
00час.
00мин.
Заказать товар
Товар доступен только под заказ.
Сроки поставки: 2–3 недели
Подарок при покупке
Дарим подарок при покупке данного товара
Выбрать подарок

Цилиндрический роликоподшипник INA SL045008 (SL04 5008)
Цилиндрический роликоподшипник INA SL045008 (SL04 5008)
(0)
Под заказ
0 руб.


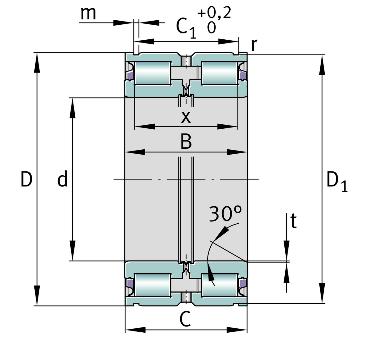
Цилиндрический роликоподшипник SL0450, без сепаратора, двухрядный, фиксированный подшипник, средний борт на наружном кольце, 3 борта на внутреннем кольце, тип SL04

Основные
Диаметр отверстия40 mm
Наружный диаметр68 mm
Ширина наружного кольца37 mm
Динамическая грузоподъемность, радиальная80.000 N
Статическая грузоподъемность, радиальная111.000 N
Предел усталостной нагрузки, радиальный16.300 N
Вес0,516 kg
Мин. диаметр заплечика вала51,5 mm
Мин. рабочая температура-30 °C
Макс. рабочая температура120 °C
Ширина38 mm
Мин. размер монтажной фаски0,6 mm
Диаметр бортика внутреннего кольца51,5 mm
Предельная частота вращения при пластичной смазке3.150 1/min
Присоединительный размер для пружинного стопорного кольца WRE (не входит в комплект поставки). Допуск: 0/-0,228 mm
Присоединительный размер для стопорного кольца по DIN 471 (не входит в комплект поставки). Допуск: 0/-0,227 mm
Диаметр бортика (поддержка уплотнения)55 mm
Наружный диаметр пружинного стопорного кольца WRE75 mm
Угол фаски30 °
Расстояние - пружинные стопорные кольца, нижнее отклонение-0,2 mm
Расстояние между стопорными кольцами, нижнее отклонение-0,2 mm
Расстояние - пружинное стопорное кольцо, верхнее отклонение0 mm
Расстояние - стопорные кольца, верхнее отклонение0 mm
Расстояние, кольцевые канавки, нижнее отклонение0 mm
Расстояние, кольцевые канавки, верхнее отклонение0,2 mm
Расстояние, кольцевые канавки32,2 mm
Диаметр канавки65,8 mm
Ширина канавки2,7 mm
Ширина фаски0,8 mm
Расстояние между телами качения28,5 mm

Мы стараемся максимально лояльно подходить к выбору способов доставки товаров из нашего магазина, чтобы наши клиенты получали необходимое качество по наименьшей цене.

Курьером по городу

Курьером (пн-пт). Курьер доставит товар в день заказа с 18 до 21.00 (при условии, что заказ сформирован до 18.00), либо вечером следующего дня (если заказ сформирован после 18.00).

Самовывозом

Вы можете забрать заказанный на сайте товар в любой день и удобное Вам время. Часы работы и контактный телефон магазина можно узнать здесь. Забронированный товар будет дожидаться Вас в течении двух рабочих дней.

Персональные рекомендации